LDJ系列導流型容積式換熱器
發布時間:2019-01-15

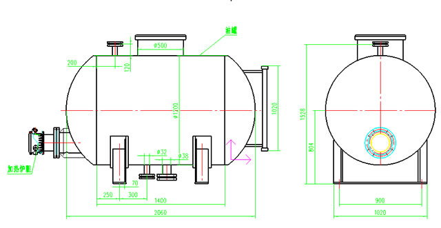
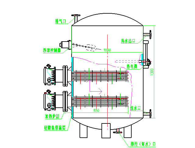
導流型容積式加熱器

臥式容積式加熱器

立式容積式加熱器
工作原理
提高熱媒與被加熱水的流述,變層流換熱為紊流換熱。充分利用罐體內初次加熱時冷、熱水之密度差,使其形成自然循環將罐體底部的冷水加熱。
構造特點
(1)換熱元件U型管選用小管徑管束,水平多行程布置,借以減少通過熱媒的斷面、增大換熱面積、提高熱媒流速。
(2)罐內配置導流裝置,組織被加熱介質流經U型管束,不存在死水區域。
性能特點
與"容積式換熱器"相比較;導流型容積式換熱器具有下列性能特點:
(1)熱媒流速提高了3-6倍,被加熱水流速提高了3-5倍,傳熱系數K有較大幅度的提高,水一水換熱時,k=550~900W/(m2.℃〕,為 "容積式換熱器K值的1.7~2.3倍。
(2)換熱充分,在熱媒為低溫水(70~8O℃)及額定產水量條件下,單級換熱可交換出所需溫度的熱水在導流裝置的作用下,罐體底部冷水滯水區減少為"容積式"水加熱器的一半。
(3)罐體占地面積小,抽出管束所需空間小,保持了"容積式換熱器" 被加熱水側水頭損失小(≤0.003MPa)的優點,有利于系統冷熱水壓力之平衡。
(4)貯熱部分貯存有≥15min設計小時耗熱量的調節容積。熱媒可按設計小時耗熱量供給,無需加大熱媒負荷。罐內被加熱水的溫度變化較平緩,采用可靠、較靈敏的溫控裝置即可滿足自動控制水溫之要求。



